我的瑞网
企业目录
瑞安市鸿润机电有限公司
主营:电磁离合器,电磁制动器
首 页
产品展示
联系方式
当前位置:
瑞网首页
>>
瑞安市鸿润机电有限公司
>>
产品展示
产品搜索
联系方式
瑞安市鸿润机电有限公司
陈 先生
13362769668
13958811051
0577-66618760
wjclcn@126.com
产品展示
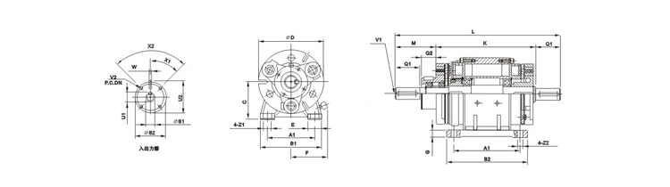
DLZ2-串轴组合离合器
点击图片查看大图
详细信息
上一个产品:
DLZ1-对轴式组合离合器
下一个产品:
DLZ3-双串轴组合离合器
相关产品
更多
DLZ6-单法兰组合离合器
DZD5-基本型电磁制动器
DLZ8-系列套筒离合器
DLD7-超薄型电磁离合器
咨询产品信息
产品名称
电话
*
姓名
内容
*
公司名称
Email
QQ
验证码
看不清楚
瑞安市鸿润机电有限公司 地址:瑞安市愚溪路67号
登录
|
免责声明
| 技术支持:
瑞网